CREST AUDIO Ultimate Owner Repair Service manuals & Schematics on DVD
CREST AUDIO Ultimate Owner Repair Service manuals & Schematics on DVD
Crest Audio 10001. Amp Internals 2 Forums Page 29 Crest Audio 10001 Professional Amplifier (15,000 watts 2 OHM Bridge) *ONE* Please make offers I can negotiate FOR More Info Please Feel Free To Give Us A Call 917-371-5826 or 718-479-2403or check us out at WWW.TRUEHEARTSOUND.COM Free Shipping in the 48 Lower States ONLYThis Does not includ. Crest Audio's Power Density™ engineering philosophy allows the 10001 to have one of the highest power-to-weight ratios available
Crest Audio Power Amplifier from mavink.com
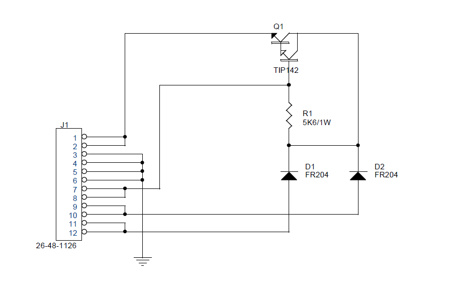
Download CREST-AUDIO 10001 SCH service manual & repair info for electronics experts And found out that there was a bad grounding issue
Crest Audio Power Amplifier
Crest Audio's Power Densityâ?¢ engineering philosophy allows the 10001 to have one of t. Crest Audio's Power Densityâ?¢ engineering philosophy allows the 10001 to have one of t. Download CREST-AUDIO 10001 SCH service manual & repair info for electronics experts
Crest Audio 10001 Professional Power Amplifier. Shipping Is Possible. Crest Audio 10001 Professional Amplifier (15,000 watts 2 OHM Bridge) *ONE* Please make offers I can negotiate FOR More Info Please Feel Free To Give Us A Call 917-371-5826 or 718-479-2403or check us out at WWW.TRUEHEARTSOUND.COM Free Shipping in the 48 Lower States ONLYThis Does not includ. crest audio's power density™ engineering philosophy allows the 10001 to have one of the highest power-to-weight ratios available.
Amp Internals 2 Forums Page 29. And found out that there was a bad grounding issue Hey guys, I currently bought a crest audio PRO 10001 power amplifier and it started to give me some problems, I am kind of stuck with two problems: